热力公司集中供热智能监控系统的搭建与数据分析
作者:陕西鲁明热力设备 发布日期:2019-05-27 10:32:06
1 华阴市某热力公司集中供热概况
经查华阴市地处寒冷地区,根据我国《民用建筑热工设计规范》(GB50176-93),及我国《严寒和寒冷地区居住建筑节能设计标准》(JGJ26-2010),华阴市属于寒冷B区,采暖室外计算温度为-5
,由于华阴地区在供热红线以北,因此居民冬季需要靠集中供热来维持日常生产生活。《华阴市城市集中供热管理条例》规定,每年的11月15日开始采暖季,持续到次年3月15日结束,可根据实际天气情况进行提早或延长。

图3.1 中国建筑热工设计分布图
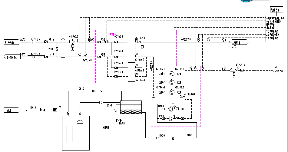
本文所涉及的集中供热系统为华阴市某热力公司,地处华阴市区东部,承担华阴市全市区范围内的集中供热工作。截止2018年11月5日,该热力公司已完成主管网建设13.9公里,供热面积达到140万平方米,建成热交换站86座,供热辐射华阴市城区面积80%以上[41]。该集中供热系统热源为燃煤锅炉加热的首站高温热水,通过热力公司敷设的一次热力管网系统到达各个小区的换热站,经过各小区换热站换热后变成适合暖气片、地幅热等散热器的低温热水,通过各小区承建二次热网管道送至用户进行散热供暖。整个集中供热系统分为两部分,从热源首站到各个小区换热站之间的管网称为一次热力管网;从换热站到用户的管网称为二次热力管网。集中供热系统的流程图如3.2所示:

图3.2 集中供热系统流程图
该市集中供热系统基本情况如下:(1)该集中供热系统的热源是热水。
(2)用户的散热器种类包括地幅热及暖气片两种。
(3)供热面积为140万平方米,包括86座换热站。
(4)一次热网管道的供回水压力比较稳定,一般在0.8MPa,一次热网管道的供水温度受天气及首站热效率的影响一般在75~90℃之间波动;一次热网管道的回水温度受各换热站换热效率及用户热负荷的影响一般在35~45℃之间波动。
(5)二次热网管道通过一次网电动调节阀的控制作用,根据末端散热器种类的不同,地幅热基本稳定在45℃;暖气片稳定在55℃。
1.1 某小区换热站本地控制系统
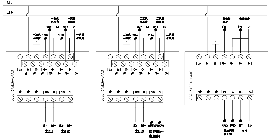
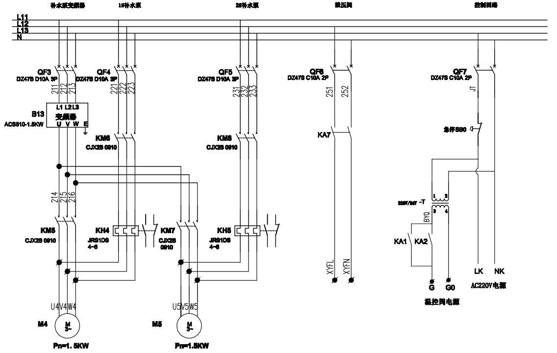
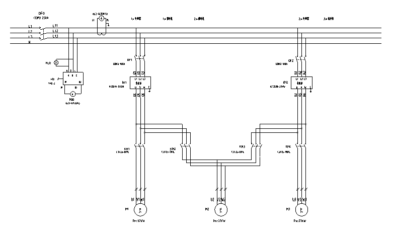
在该集中供热系统的86座换热站中,我们着重研究测试某一小区的换热站系统。上文已经指出,换热站系统的运行工况及效率直接关系到对用户供热的品质好坏,该小区总采暖面积为8.4万平方米,总热负荷为5265KW,换热站主要设备包括2台2633KW的板式换热器;3台37KW循环水泵,循环泵的流量为Q=300m³,扬程为H=31m;2台1.5KW补水泵,补水泵流量为Q=6m³,扬程为H=55m;1台变频控制柜,该控制柜主要为换热站各用电设备供电,并设计有循环泵变频2控3定压差自控系统及定压补水变频系统,本控制柜具有本地/远程切换功能,当旋钮投切到本地功能时,循环泵变频器、补水泵变频器及一次网电动调节阀执行本地PLC的控制逻辑,当旋钮投切到远程功能时就地PLC系统接收外部命令,并下发到相关变频器及电动阀等执行设备,图3.4、图3.5、图3.6分别为该小区就地PLC变频控制的相关原理图。本换热站就地辅机设备还包括一台不锈钢水箱,体积为2000*2000*2000(mm);一台全自动水处理器,处理量为6T/h。
图3.3 该小区设备布置图
换热器根据介质的不同可以分为汽-水式换热器,水-水式换热器,根据换热器传热的方式分为混合式换热器及表面式换热器,目前集中供热系统的主流热介质是高温热水,这也导致了水-水式换热器的大量应用。常见的水-水式换热器包括板式、管壳式、容积式、螺旋板式。不同的换热器有着不尽相同的优缺点,例如板式换热器的优点包括:传热系数较高、结构紧凑体积小、拆洗方便、材料利用率高;其缺点包括:因板片间距小而导致水质较差时容易结垢或沉积物造成堵塞,所以要配合软水装置配套使用,使用寿命容易受到密封垫片材质的影响。管壳式换热器的优点包括:结构简单、生产成本低、换热流通面积较大,不易结垢且易于清洗;其缺点包括:传热系数较低,体积大,安装较为复杂。容积式换热器的优点包括:供水平稳、安全,易于清洗;其缺点是应用范围较窄,一般应用于生活热水系统。本文中所研究的换热站所选用的换热器为板式换热器,图3.3为该小区的设备布置图。
图3.4 该小区就地变频柜循环泵控制回路图
图3.5 该小区就地变频柜补水泵控制回路图
图3.5 该小区就地变频柜PLC主机系统图

图3.6 该小区就地变频柜PLC扩展模块图
1.2 某小区集中供热换热站智能监控系统
该小区换热站的核心远程监控设备为一台远程监控箱,该远程监控箱由一套西门子smart200 PLC及其相应I/O扩展模块组成。该远程监控箱负责采集一次热网管道的供回水温度、供回水压力,采集二次热网管道的供回水温度、供回水压力,采集室外温度传感器的实时数值;采集循环泵、补水泵的工作状态、报警信息、故障信息等。该小区集中供热系统建于2010年并沿用至今,该小区换热站的管理模式一直是人为操作二并非使用计算机自动控制系统,导致该小区二次热网的水力失调现象严重,而且不能根据室外温度的变化按需供暖,系统能耗数年维持在高位水平。2017年供暖季结束之后,我们开始对该小区的集中供热系统进行自控升级,将计算机监控系统引入该换热站,时刻监测热网数据、结合室外温度的变化及用户的热负荷变化进行有据调节,使供热系统的运行与管理有法可依,减少人工操作的不合理性与能源的浪费,正真做到大负荷多供、小符合少供、无负荷不供。根据我们持续性的统计与计算,发现该小区单位面积用热量平均值由2012年至2016年的0.388吉焦/㎡减低到0.321吉焦/㎡,以上数据说明该系统有很高的合理性,同时也说明了将计算机监控系统引入到集中供热系统的必要性和迫切性。图3.7为该小区远程监控箱的控制界面。
该远程监控箱的特点是:(1)通过TCP/IP协议与远方控制平台通信,上传就地温度、压力变送器所采集的实时温度、压力值;
(1)上传通过MODBUS协议通信获得的就地热量表、流量表的实时流量(热量)、累积流量(热量);
(2)上传通过RS485接口采集到的变频器频率反馈;上传循环泵、补水泵的接触器障信号;
(3)上传就地PLC系统的报警信号;
(4)采用就地/远方模式,处于就地模式式,电动调节阀、继电器、变频器接受就地控制设备的控制逻辑;处于远方模式下,下发上位监控平台对于本地设备的操作指令。

图3.7 该小区远程监控箱的控制界面
1.3 该小区集中供热系统热力管网水力工况与热力工况分析
对于集中供热系统所供热之品质的好坏,我们用整个供热系统的流量及热量的分布及其稳定性来作为评判标准。热量以及流量的分布情况反映到实际工况中,其实指的就是管道内的热力工况及水力工况。更详细一步的解释就是:整个集中供热系统中热量的分布情况反应的便是热力工况;集中供热系统中水流量的分布及管道压力的情况反应的便是水力工况。在集中供热系统中,热力工况和水力工况是密不可分的,两者互相影响。特别需要注意的是,水力工况的变化势必会引起热力工况的变化,因为热水流量的改变,势必会引起热量的变化。因此,水力稳定是整个集中供热系统运行稳定的基石,他关乎着整个系统的质量,也决定了用户的最终体验。1.3.1该小区集中供热系统运行现状
(1)随机用户室内温度分布:根据《民用建筑供暖通风与空气调节设计规范》(GB50736-2012),华阴市所在的严寒及寒冷地区主要房间应采用18℃-24℃的温度进行采暖;夏热冬冷地区主要房间应采用16℃~22℃;华阴供热办规定室内主要房间最低采暖温度不得低于18℃±2℃。所以该小区对用户供暖的设计温度为20℃。我们在选取随机用户室内温度的测量对象时,选取了位于二次热网管道环路最末端的用户群,并结合小区物业公司听取的用户反应,确定5幢1单元1908,1408为本次样本采集点。图3.8为2017年1月7日室外温度、室内温度的变化曲线。
图3.8 2017年1月7日室外温度、室内温度的变化曲线。
从图3.8中可以看出,1908室内的温度基本稳定在20℃左右,符合本小区的供暖设计要求,也符合相关规定;同样的可以看出,1408室的温度仅仅在15℃~17℃附近徘徊,且测试时间为当天中午,室外气温最高的时间。这两个测试对象位于同一单元内同一户型不同楼层内,但是室内温度的差别可以达到5℃以上,这说明本集中供暖系统很可能存在比较严重的冷热不均现象,作为用户,在缴纳相同暖气费的情况下,却不能得到相同品质的供热服务,某些用户意见较大。根据物业反应的投诉及摸排情况,也能证实以上现象绝非孤例,这里由于篇幅的关系和入户调查的困难性,就不一一列举了。(2)系统水力稳定性分析
集中供热系统的水力失调指的是在实际运行过程中,热网管道的实际流量与设计流量有偏差,且偏差呈现不规律性,造成热网管道内的流量及热量分配不均,导致用户末端的供热情况出现偏差,且无法满足用户的正常采暖需求,一般会以近热远冷的情况出现。管网内的水力失调度我们一般用f表示,水力失调度f是管道内实际流量
与管道内的设计流量
的比值,即
(3-1)分析集中供热系统管网工况的另外一个重要依据是水力稳定性,水力稳定性是指在同一集中供热管网内不同管段使自身流量基本保持不变的状态,水力稳定性我们一般用d表示,水力稳定性d是管道内设计流量
与管道内实际波动最大流量
的比值,即
(3-2)
出现在集中供热管网二次网同一管段内的其他用户全部关闭阀门时,提高水力稳定性的解决办法是:减少二次热网管道内主管道的压降,或增大用户侧散热器末端连接管道的压降,以上两种办法均可适当的增加集中供热系统二次热网管道内的水力稳定性。(3) 实验数据分析:
为了测试本小区内的水力失调度和水力稳定性,我们根据管道特性及排布方法,结合物业摸排的反馈情况,调查取样了1号楼1单元、3号楼1单元、9号楼2单元位于顶层的用户,根据经验预测,顶层用户因为管道环路的特性,一般水力失调情况最为严重。我们连续7天,每天13:00同一时间记录用户管道内的流量,根据此记录来分析本小区二次热网管道的水力平衡度。表3.1、表3.2、表3.3即为本次的记录数据。
表3.1 1号楼1单元顶层用户的水力平衡度
| 测试时间/用户 | 1104 | 1105 | 1106 |
| 2017.1.7 | 1.03 | 1.07 | 0.95 |
| 2017.1.8 | 1.04 | 0.95 | 0.96 |
| 2017.1.9 | 0.98 | 0.75 | 0.96 |
| 2017.1.10 | 0.78 | 0.75 | 1.01 |
| 2017.1.11 | 0.90 | 0.92 | 0.90 |
| 2017.1.12 | 0.86 | 0.96 | 0.85 |
| 2017.1.13 | 1.12 | 0.89 | 0.84 |
表3.2 3号楼1单元顶层用户的水力平衡度
| 测试时间/用户 | 1104 | 1105 | 1106 |
| 2017.1.7 | 1.06 | 0.76 | 0.95 |
| 2017.1.8 | 1.08 | 0.77 | 1.05 |
| 2017.1.9 | 0.85 | 0.99 | 2.08 |
| 2017.1.10 | 1.13 | 0.87 | 0.99 |
| 2017.1.11 | 1.08 | 0.78 | 0.99 |
| 2017.1.12 | 0.88 | 1.01 | 1.29 |
| 2017.1.13 | 1.42 | 0.92 | 1.44 |
表3.3 9号楼2单元顶层用户的水力平衡度
| 测试时间/用户 | 1104 | 1105 | 1106 |
| 2017.1.7 | 1.06 | 1.09 | 0.99 |
| 2017.1.8 | 0.78 | 0.98 | 1.02 |
| 2017.1.9 | 1.02 | 0.99 | 1.01 |
| 2017.1.10 | 0.68 | 1.01 | 0.92 |
| 2017.1.11 | 0.82 | 1.02 | 0.94 |
| 2017.1.12 | 0.89 | 0.89 | 0.89 |
| 2017.1.13 | 1.01 | 0.88 | 0.80 |
根据《采暖居住建筑节能检验标准》(JGJ132-2001)之规定:集中供热系统二次热网管道各个热力入口处的水力平衡度应为0.9至1.2之间,根据上述数据的分析可知,该小区的热网管道的水力失调度比例达到了30%以上,说明系统的水力平衡失调严重,在目前这种情况下运行,不仅整个系统的能效低,而且用户的最终体验较差,供热品质较差。目前整个系统存在垂直失调和水平失调两种情况,垂直失调根据楼层的高度失调度呈上升状态;水平失调度呈现随机状态,有的用户流量过多,有的用户流量过少。在这种情况下,供热最终呈现出冷热不均,供热不平衡的状态,即有的用户室内温度不达标,有的用户室内可能还需要开窗散热。
1.3.2 该小区集中供热系统的运行分析
该小区集中供热系统能耗较高具体有以下几方面原因:(1)热源不稳定,根据计算机监控系统的历史数据及换热站值守人员抄录的工作日志可以看出,一次热网热源的供水温度在70℃~90℃之间来回波动;一次热网的回水温度在30℃~45℃之间波动,由于热源的不稳定,导致二次网供热的不稳定及换热器效率的不稳定。二次网需要的热量为Q,通过板换被加热的水的流量为
(kg/s);水的质量比热为c(J/kg*℃);二次网供水温度为
;二网回水温度为
。
(3-3)
;通过板换的一次网热水流量为
(kg/s);水的质量比热为c(J/kg*℃);一次网供热水温度为
;二网回水温度为
。
(3-4)
是:
(3-5)
(3-6)由式(3-6)可知:换热器的换热效率与一次热网管道内的流量、供水温度、回水温度;二次热网管道内的流量、供水温度、回水温度有不同的相关性。
(2)二次热网管道内的水力失调严重,管网内的实际流量与设计流量不符。集中供热系统如果存在严重水力失调的情况,会造成热量分配的不均匀,终端用户的用热体验也不舒适,并且会增大系统的能耗[42]。以一个供热面积为500万平方米的集中供热系统为例,因水力失调造成的热量损失可达64000KW,占整个集中供热系统总供热量的15%左右[43]。
集中供热系统二次热网管道内的流量和压力有着密不可分的联系,流量的大小会直接影响到管道内压力的变化;管网内压力的分布直接决定管道内水流的流动规律。当相同管段的管径一致时,管道内的水流流速与流量是完全相关的,因此管道内的压力分布就决定了管道内流量的分配。当管道内的流量根据压力的分布从新分配之后,往往与最初的设计的设计流量会产生偏差,这种实际流量与热网管道设计流量的偏差性被称为水力失调,造成集中供热系统热网管道水力失调具有多种因素,主要可以归纳为以下三种原因:第一,集中供热系统管网设计与施工的偏差,所有管网的设计只能靠经验进行,但是往往在实际施工中会产生一定的偏差,造成实际管道状况与设计不符;第二,集中供热系统管网中的动力源(水泵、重力自流等)所提供的能量与设计不符,因为作为主要动力源的循环泵的流量、扬程在生产时所指定的数值是阶梯形的,我们在选取循环泵的型号时,往往会在满足设计指标的情况下,根据型号“取高不取低”,这就造成水泵性能曲线实际与设计的不符,最终导致管网中压力与流量的偏差;第三,集中供热系统热网管道的流动阻力特性的改变,管道阻力特性:
(3-7) (3)改造前该小区所有循环水泵都通过接触器直接启动,工频运行,未能实现变频调速变流量调节办法。
采用变频技术对水泵实行转速控制,以适应用户实际热负荷对流量输出的要求,实施节能是一种行之有效的方法。对集中供热系统的水泵变频改造工程表明对集中供热系统水泵进行变频节能改造,可以使系统节省大量的循环水泵电耗,并且对换热机组的功率几乎没有影响,不会对换热器、水泵产生不利影响,。对于集中供热管道二次网系统水力失调较重、水泵配置过大以及用户入住率较低的集中供热系统,采用变频技术还有以下优点:降低运行成本;延长设备的使用寿命;降低水泵及电机噪声。
在传统的供热系统设计中, 是根据最远、最不利用户的资用压差选择系统的循环水泵,通常仅在热源处设置循环水泵, 以克服热源、热网和热用户系统的阻力。然而在供热系统的近户端,则会形成过多的资用压头,近端用户要通过调节各种流量阀门来消耗多余的资用压头。这样的节流调节则会导致系统循无效电耗和水力失调现象,为了解决这个问题,可采用了变频泵供热系统。 随着变频技术在供热系统的应用,出现了分布式变频泵供热系统。由于分布式变频泵供热系统的节能优势被广泛采用,特别是一些改造工程。分布式供热则是在热源处设置扬程较小的循环泵,然后在外网沿途设置多个加压循环泵,采用“接力棒”的办法,共同实现热媒的输送工作。热源处设置的循环泵只承担热源内部的水循环,换热站内的循环泵则承担热媒输送和保证热用户必要的资用压头的功能,并通过变频装置实现变流量调节。这种方式基本上消除了无效电耗。
但分布式变频泵供热系统不一定总是节能的,系统背压和压差控制点的位置是影响其节能效果的主要因素。过大的系统背压以及不适宜的压差控制点均不能使分布式变频泵供热系统发挥节能优势,甚至会变得不节能。





